

● Three-axis gyroscope, three-axis accelerometer, three-axis magnetometer
● Static measurement accuracy up to 0.2°
● offset tracking algorithm eliminates drift
● High precision, low cost
● Wide temperature range: -40℃~+85℃
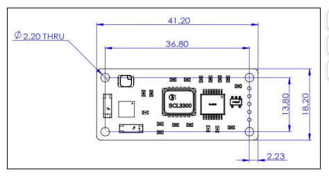
● Dimension:L40*W17*H5.5
Azimuth | Measurement range | 0~360° | |
Accuracy | After spatial calibration ≤0.3°(RMS) (tilt range -20°~20°) | ||
Resolution | 0.01° | ||
Repeatability | 0.05°(RMS) | ||
Pitch | Measurement angle | -90°~90° | |
Accuracy | ≤0.2°(RMS) | ||
Resolution | 0.01° | ||
Repeatability | 0.05°(RMS) | ||
Roll | Measurement range | -90°~90° | |
Accuracy | ≤0.2°(RMS) | ||
Resolution | 0.01° | ||
Repeatability | 0.05°(RMS) | ||
Environment | Baud rate | 9600~115200(Default 38400) |

+86 189 2129 2620
sales@bwsensing.com